Rof elektrooptické zesilovače optické zesilování motýl polovodičový optický zesilovač motýl SOA
Funkce
Vysoký zisk
Nízká spotřeba energie
Nízké ztráty závislé na polarizaci
Vysoký poměr extinkce
Podporuje monitorování teploty a termoelektrickou regulaci TEC
Aplikace
Výroba a testování výkonu optických vláknových zařízení
Zesílení výkonu malého signálu
Oblast laboratorního výzkumu
Systém optické komunikace
Parametry
| Parametr | Provozní stav | Jednotka | Min. | Typ | Max |
| Provozní vlnový rozsah |
| nm | 1490 |
| 1590 |
| šířka pásma | @-3dB | nm | 55 |
| 60 |
| Nasycený optický výkon | Pokud = 250 mA | dBm | 12 |
| 15 |
| Zisk malého signálu | Pokud = 250 mA Pin=-25dBm | dB | 25 |
| 30 |
| Zisk výstupu saturace | Pokud = 250 mA | dB | 12 |
|
|
| Provozní proud |
| mA |
| 250 | 400 |
| Propustné napětí |
| V |
|
| 1,8 |
| Poměr vymírání | Pokud=250mA/Pokud=-0,4mA Pin=0dBm | dB |
| 50 |
|
| TEC proud |
| A |
|
| 1,8 |
| Napětí TEC |
| V |
|
| 3.4 |
| Zisk závislý na polarizaci |
| dB |
| 1,5 | 2 |
| Odpor termistoru | T=25℃ | kΩ | 9,5 | 10 | 10,5 |
| Proud termistoru |
| mA |
|
| 5 |
| Provozní teplota |
| ℃ | -10 |
| 70 |
| Skladovací teplota |
| ℃ |
|
| 85 |
Charakteristická křivka



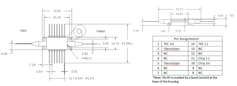
Konstrukční rozměr

Společnost Rofea Optoelectronics nabízí produktovou řadu komerčních elektrooptických modulátorů, fázových modulátorů, modulátorů intenzity, fotodetektorů, laserových světelných zdrojů, DFB laserů, optických zesilovačů, EDFA, SLD laserů, QPSK modulací, pulzních laserů, detektorů světla, vyvážených fotodetektorů, laserových budičů, vláknových optických zesilovačů, měřičů optického výkonu, širokopásmových laserů, laditelných laserů, optických detektorů, budičů laserových diod a vláknových zesilovačů. Nabízíme také mnoho specifických modulátorů pro zakázku, jako například fázové modulátory s polem 1*4, modulátory s ultranízkým Vpi a modulátory s ultravysokým extinkčním poměrem, které se používají především na univerzitách a v ústavech.
Doufáme, že naše produkty budou pro vás a váš výzkum užitečné.










